Signal and Hazard problems
Hi Folks -Wmick from Ontario,here... I'm brand new to this site... Hoping to find some help here...Might be a little long winded..
Wife's 2005 Sebring sedan 6cyl... Signals and Hazards quit working the other day.. Completely dead.
Fuse in side panel is good. Wiper-Wash still works... I've installed a new combo flasher. NAPA/Novita "LM470".. and still nothing.
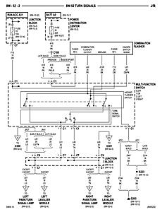
I am having no luck at all, finding an accurate wiring diagram for the multi-function switch in the column, for this year/model...
Anything I've found does not seem to match colours for me. If anyone can direct me to one, I would really appreciate it...
The attached was online as for a 2004. I do have brown and pink wires, which I do have 12V, but I do not have any Tan or Light Green wires for outputs,
Also, aside from the multi-function switch itself being the issue.. Any other ideas or advice? Would a short circuit in the lights cause these symptoms. Etc? Etc?
Thanks a bunch...
Wife's 2005 Sebring sedan 6cyl... Signals and Hazards quit working the other day.. Completely dead.
Fuse in side panel is good. Wiper-Wash still works... I've installed a new combo flasher. NAPA/Novita "LM470".. and still nothing.
I am having no luck at all, finding an accurate wiring diagram for the multi-function switch in the column, for this year/model...
Anything I've found does not seem to match colours for me. If anyone can direct me to one, I would really appreciate it...
The attached was online as for a 2004. I do have brown and pink wires, which I do have 12V, but I do not have any Tan or Light Green wires for outputs,
Also, aside from the multi-function switch itself being the issue.. Any other ideas or advice? Would a short circuit in the lights cause these symptoms. Etc? Etc?
Thanks a bunch...
Well thanks for all the help 
Anyway - Figured it out last night.. Tried a whole multi-function switch assembly from the wreckers and still no luck.
Took every light off, looking for shorts etc.. No luck...
Almost at the point of giving up, I started to ohm out the dozens of terminals on the switch to create the diagram I couldn't find...
As it turns out, The connector right behind the signal lever which I gravitated to, for all my testing, is not actually the right one...
Signal and Hazard wiring all comes in the second connector at the opposite end (behind the windshield wiper lever.
I was testing the wrong pink power wires all along and "my" pink wire is broke somewhere between switch and fuse panel..
A little bypass-jimmy-rigging, solder and black tape... and good to go again.
Happy New Years

Anyway - Figured it out last night.. Tried a whole multi-function switch assembly from the wreckers and still no luck.
Took every light off, looking for shorts etc.. No luck...
Almost at the point of giving up, I started to ohm out the dozens of terminals on the switch to create the diagram I couldn't find...
As it turns out, The connector right behind the signal lever which I gravitated to, for all my testing, is not actually the right one...
Signal and Hazard wiring all comes in the second connector at the opposite end (behind the windshield wiper lever.

I was testing the wrong pink power wires all along and "my" pink wire is broke somewhere between switch and fuse panel..
A little bypass-jimmy-rigging, solder and black tape... and good to go again.
Happy New Years
Thread
Thread Starter
Forum
Replies
Last Post
lmnop
300M, Concorde, LHS, New Yorker
0
Apr 27, 2017 11:44 AM
jchoudja
Chrysler 200 & Sebring
3
Apr 4, 2014 12:40 PM
bentleybloke
Chrysler Voyager & Town & Country
2
Feb 28, 2008 05:12 AM



