Pacifica '04 Coolant Overheating/Front Fans not working
There is really no point in plunging people into the technical aspect of how this works. they probably don't have a clue what your talking about. just give them the simple things first then tell them the rest. in all my years of working on chrysler products i have found only one of these solid state relays bad and this one kept the fans on all the time. and it was riveted to the radiator support and NOT TO THE BUMPER.
i have been a mechanic sense 1969.
in all my years of working on chrysler products
One Theory remains constant........
If you dont know what it is, what it is supposed to do, or what it looks like when you do find it....How can you expect to fix it????
Just also as posted above I am not god I can not tell u what the prob of your car is because my crystal ball is broken today. I tell them how the system works and help out from what I have seen. That is the simple fix. If u want to do stuff on your own I would be best to get a book and read it or get basic knowledge of how things work other wise its pointless to be doing it yourself. By the time u get done guessing u would have been better off taking it to some one that you hope dos know what they are doing and can correctly figure out the issue at hand and get away with spending as little as possible and correct the issue. I dont know how you did it back then but that is hows it almost demand upon techs now a days.
U cant go up to some one ooo I think we need to spend 300 bucks this might do it. Get your *** fired for that. And working for a Chrysler dealer if U are not certified in certain things they dealer will haft to pay back Chrysler for the clam on a car repair because why would Chrysler want to pay some one that has no business fixing that part of the car when they have no idea how it works? They dont.
U cant go up to some one ooo I think we need to spend 300 bucks this might do it. Get your *** fired for that. And working for a Chrysler dealer if U are not certified in certain things they dealer will haft to pay back Chrysler for the clam on a car repair because why would Chrysler want to pay some one that has no business fixing that part of the car when they have no idea how it works? They dont.
I dont think he really fixed his issue if he gets back on here we will see.
There are no relays for the fans like what he was messing with only that big monster that well I am not going to bother to explane to u because massa does not teach to unwilling monkeys not wanting to learn.
There are no relays for the fans like what he was messing with only that big monster that well I am not going to bother to explane to u because massa does not teach to unwilling monkeys not wanting to learn.
Last edited by CHRYSLER TECH; May 24, 2013 at 08:35 AM.
I dont think he really fixed his issue if he gets back on here we will see.
There are no relays for the fans like what he was messing with only that big monster that well I am not going to bother to enplane to u because massa does not teach to unwilling monkeys not wanting to learn.
There are no relays for the fans like what he was messing with only that big monster that well I am not going to bother to enplane to u because massa does not teach to unwilling monkeys not wanting to learn.
by the way you can't teach me because i forgot more then you will ever know about automobiles.
And now for some chest pounding ham radio operator extra class license the crown jewel of license class. electronic tech 35 years, ASE certified automotive repair and transmissions, certified state inspection,imac certified auto air conditioning. certified emissions.
I didn't want to do this but you are treating me like a dumb ***.
And now seeing the over heating problem has been repaired i am going to unsubscribe from this post because i won't waste time debating this dead issue so post away.
It's been fun.
Mr.fixit.
Okay, this topic is going way far from the original post, but Mrfixit had a good guess
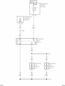
I haven't been here because I found the issue and his reply when I had the issue helped a lot me to resolve it. to be precise in the fuse box I was missing two relays, number 11 and 12 which are two 40 amps green relays and 2 black ones I don't remember the exact number there were 54,55 something like that but they were related to a spare fan relay. if you guys want to be sure just look at the fuse box diagram in the fuse box with all the relay numbers and description.
So if anything goes wrong with my fan I will follow the wires, fuses and the big thing by the radiator you guys are talking about but so far my fan is working as it should so the fuses were the only issue.
Thanks everybody for the feedback and Peace guys !
we're here for constructive discussions.
I haven't been here because I found the issue and his reply when I had the issue helped a lot me to resolve it. to be precise in the fuse box I was missing two relays, number 11 and 12 which are two 40 amps green relays and 2 black ones I don't remember the exact number there were 54,55 something like that but they were related to a spare fan relay. if you guys want to be sure just look at the fuse box diagram in the fuse box with all the relay numbers and description. So if anything goes wrong with my fan I will follow the wires, fuses and the big thing by the radiator you guys are talking about but so far my fan is working as it should so the fuses were the only issue.
Thanks everybody for the feedback and Peace guys !
we're here for constructive discussions.


