97 Sebring LXi
Hi, I have been the second owner of this car since purchasing it in '98. It has been well taken care of and has 90K miles. The only repairs needed outside of service visits was replacing the 'brain' years ago.
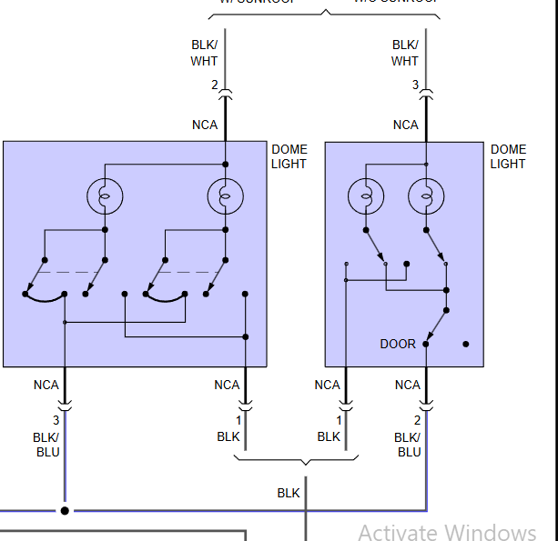
I was having issues with a parasitic battery drain that was occurring. It was discovered that the right map light in the review mirror was weakly draining the battery and I couldn't get the light to switch off. Having dealt with this drain and subsequent trickle charging and jump starts to keep the new battery charged I had had it and reached up and clipped the wires as close to the mirror as I could reach. I realize now that I had made a mistake and likely could have removed the pins from the mirror.
I've just ordered a shop manual for the car but admittedly am at a loss even after it arrives when it comes to reading a wire diagram. Are there any members here that have dealt with mirror replacement and wiring?
Also, Would cutting these wires have had anything to do with my radio no longer working? I'm wondering if I could have blown the fuse for the radio which is housed in a separate fuse block with the mirror fuse. Need to get a decent fuse puller to check it though.
Appreciate any assistance! Hank in Oregon!
I was having issues with a parasitic battery drain that was occurring. It was discovered that the right map light in the review mirror was weakly draining the battery and I couldn't get the light to switch off. Having dealt with this drain and subsequent trickle charging and jump starts to keep the new battery charged I had had it and reached up and clipped the wires as close to the mirror as I could reach. I realize now that I had made a mistake and likely could have removed the pins from the mirror.
I've just ordered a shop manual for the car but admittedly am at a loss even after it arrives when it comes to reading a wire diagram. Are there any members here that have dealt with mirror replacement and wiring?
Also, Would cutting these wires have had anything to do with my radio no longer working? I'm wondering if I could have blown the fuse for the radio which is housed in a separate fuse block with the mirror fuse. Need to get a decent fuse puller to check it though.
Appreciate any assistance! Hank in Oregon!
Hi, Thanks for your quick reply.
It looks like there are five total:
Two black
One black with wide white stripe
One black with narrow white or grey stripe
and
One red with blue stripe/ or blue with red stripe
Thanks!!!
It looks like there are five total:
Two black
One black with wide white stripe
One black with narrow white or grey stripe
and
One red with blue stripe/ or blue with red stripe
Thanks!!!
Thread
Thread Starter
Forum
Replies
Last Post
alcarski
Chrysler 200 & Sebring
0
Apr 25, 2020 01:48 PM



