Boiled Battery
Hi All
I have a Grand Voyager 2.5 Diesel 2002 (UK)
Instruments collapsed and battery boiled. Alternator and battery replaced and same happened again but I didn't (hopefully) do any damage. Would this be controlled by the PCM and do the 2 wires coming out of the alternator go to the PCM on this particular model or through the ignition? Wiring diagram?
I have a Grand Voyager 2.5 Diesel 2002 (UK)
Instruments collapsed and battery boiled. Alternator and battery replaced and same happened again but I didn't (hopefully) do any damage. Would this be controlled by the PCM and do the 2 wires coming out of the alternator go to the PCM on this particular model or through the ignition? Wiring diagram?
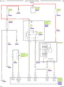
Attached below is the wiring diagram for a 2007 2.8 charging system. As the 2.5 and 2.8 are basically the same engine it should be valid.
I would guess you have a problem with the generator fiedl control circuit. below is the description from the service manual
CHARGING
DESCRIPTION - CHARGING SYSTEM
The charging system consists of:
² Generator
² Decoupler Pulley (If equipped)
² Electronic Voltage Regulator (EVR) circuitry
within the Powertrain Control Module (PCM)
² Ignition switch (refer to the Ignition System section
for information)
² Battery (refer to the Battery section for information)
² Ambient Air Temperature (If equipped)
² Inlet Air Temperature (calculated battery temperature)(
If equipped)
² Voltmeter (refer to the Instrument Cluster section
for information if equipped)
² Wiring harness and connections (refer to the
Wiring section for information)
² Accessory drive belt (refer to the Cooling section
for more information)
² Battery Temperature sensor (if equipped)
OPERATION - CHARGING SYSTEM
The charging system is turned on and off with the
ignition switch. The system is on when the engine is
running and the ASD relay is energized. The ASD
relay is energized when the PCM grounds the ASD
control circuit. This voltage is connected through the
PCM or IPM (intelligent power module) (if equipped)
and supplied to one of the generator field terminals
(Gen. Source +) at the back of the generator.
The generator is driven by the engine through a
serpentine belt and pulley or decoupler pulley
arrangement.
The amount of DC current produced by the generator
is controlled by the EVR (field control) circuitry
contained within the PCM. This circuitry is connected
in series with the second rotor field terminal
and ground.
An Ambient air temperature sensor is used to calculate
the temperature near the battery. This temperature
data, along with data from monitored line
voltage (battery voltage sense circuit), is used by the
PCM to vary the battery charging rate. This is done
by cycling the ground path to control the strength of
the rotor magnetic field. The PCM then compensates
and regulates generator current output accordingly
to maintain system voltage at the targeted system
voltage based on battery temperature.
All vehicles are equipped with On-Board Diagnostics
(OBD). All OBD-sensed systems, including EVR
(field control) circuitry, are monitored by the PCM.
Each monitored circuit is assigned a Diagnostic Trouble
Code (DTC). The PCM will store a DTC in electronic
memory for certain failures it detects and
illuminate the (MIL) lamp. Refer to On-Board Diagnostics
in the Electronic Control Modules(Refer to 8 -
ELECTRICAL/ELECTRONIC CONTROL MODRS
CHARGING 8F - 21
ULES/POWERTRAIN CONTROL MODULE -
DESCRIPTION) section for more DTC information.
The Charging system “Battery” light indicates
problems with the charging system (voltage too high/
low, generator failure, etc.). If an extreme condition is
indicated, the lamp will be illuminated. The signal to
activate the lamp is sent via the PCI bus circuits.
The lamp is located on the instrument panel. Refer
to the Instrument Cluster section for additional information.
The PCM uses the ambient air temperature sensor
to control the charge system voltage. This temperature,
along with data from monitored line voltage, is
used by the PCM to vary the battery charging rate.
The system voltage is higher at cold temperatures
and is gradually reduced as the calculated battery
temperature increases.
The ambient temperature sensor is used to control
the battery voltage based upon ambient temperature
(approximation of battery temperature). The PCM
maintains the optimal output of the generator by
monitoring battery voltage and controlling it to a
range of 13.5 - 14.7 volts based on battery temperature.
DIAGNOSIS AND TESTING
ON-BOARD DIAGNOSTIC SYSTEM
The Powertrain Control Module (PCM) monitors
critical input and output circuits of the charging system,
making sure they are operational. A Diagnostic
Trouble Code (DTC) is assigned to each input and
output circuit monitored by the OBD system. Some
circuits are checked continuously and some are
checked only under certain conditions.
If the OBD system senses that a monitored circuit
is bad, it will put a DTC into electronic memory. The
DTC will stay in electronic memory as long as the
circuit continues to be bad. The PCM is programmed
to clear the memory after 40 good trip if the problem
does not occur again.
DIAGNOSTIC TROUBLE CODES
A DTC description can be read using the DRBIIIt
scan tool. Refer to the appropriate Powertrain Diagnostic
Procedures manual for information.
A DTC does not identify which component in a circuit
is bad. Thus, a DTC should be treated as a
symptom, not as the cause for the problem. In some
cases, because of the design of the diagnostic test
procedure, a DTC can be the reason for another DTC
to be set. Therefore, it is important that the test procedures
be followed in sequence, to understand what
caused a DTC to be set.
ERASING DIAGNOSTIC TROUBLE CODES
The DRBIIIt Scan Tool must be used to erase a
DTC.
The following procedures may be used to diagnose
the charging system if:
² the check gauges lamp or battery lamp is illuminated
with the engine running
² the voltmeter (if equipped) does not register
properly
² an undercharged or overcharged battery condition
occurs.
Remember that an undercharged battery is often
caused by:
² accessories being left on with the engine not
running
² a faulty or improperly adjusted switch that
allows a lamp to stay on. Refer to Ignition-Off Draw
Test (Refer to 8 - ELECTRICAL/BATTERY SYSTEM/
BATTERY - STANDARD PROCEDURE)
² loose generator belt.
INSPECTION
The Powertrain Control Module (PCM) monitors
critical input and output circuits of the charging system,
making sure they are operational. A Diagnostic
Trouble Code (DTC) is assigned to each input and
output circuit monitored by the On-Board Diagnostic
(OBD) system. Some charging system circuits are
checked continuously, and some are checked only
under certain conditions.
Refer to Diagnostic Trouble Codes in; Powertrain
Diagnostic manual for more DTC information. This
will include a complete list of DTC’s including DTC’s
for the charging system.
To perform a complete test of the charging system,
refer to the appropriate Powertrain Diagnostic Procedures
service manual and the DRBIIIt scan tool.
Perform the following inspections before attaching
the scan tool.
(1) Inspect the battery condition. Refer to the Battery
section (Refer to 8 - ELECTRICAL/BATTERY
SYSTEM - DIAGNOSIS AND TESTING) for procedures.
(2) Inspect condition of battery cable terminals,
battery posts, connections at engine block, starter
solenoid and relay. They should be clean and tight.
Repair as required.
(3) Inspect all fuses in both the fuseblock and
Power Distribution Center (PDC) or IPM (if
equipped) for tightness in receptacles. They should be
properly installed and tight. Repair or replace as
required.
(4) Inspect generator mounting bolts for tightness.
Replace or tighten bolts if required. Refer to the Generator
Removal/Installation section of this group for
8F - 22 CHARGING RS
CHARGING (Continued)
torque specifications (Refer to 8 - ELECTRICAL/
CHARGING - SPECIFICATIONS).
(5) Inspect generator drive belt condition and tension.
Tighten or replace belt as required. Refer to
Belt Tension Specifications(Refer to 7 - COOLING/
ACCESSORY DRIVE - SPECIFICATIONS).
(6) Inspect decoupler pulley (if equipped). Ensure
decoupler pulley is driving the alternator rotor.
(7) Inspect automatic belt tensioner (if equipped).
Refer to the Cooling System for more information.
(8) Inspect generator electrical connections at generator
field, battery output, and ground terminal (if
equipped). Also check generator ground wire connection
at engine (if equipped). They should all be clean
Regards
Richard
I would guess you have a problem with the generator fiedl control circuit. below is the description from the service manual
CHARGING
DESCRIPTION - CHARGING SYSTEM
The charging system consists of:
² Generator
² Decoupler Pulley (If equipped)
² Electronic Voltage Regulator (EVR) circuitry
within the Powertrain Control Module (PCM)
² Ignition switch (refer to the Ignition System section
for information)
² Battery (refer to the Battery section for information)
² Ambient Air Temperature (If equipped)
² Inlet Air Temperature (calculated battery temperature)(
If equipped)
² Voltmeter (refer to the Instrument Cluster section
for information if equipped)
² Wiring harness and connections (refer to the
Wiring section for information)
² Accessory drive belt (refer to the Cooling section
for more information)
² Battery Temperature sensor (if equipped)
OPERATION - CHARGING SYSTEM
The charging system is turned on and off with the
ignition switch. The system is on when the engine is
running and the ASD relay is energized. The ASD
relay is energized when the PCM grounds the ASD
control circuit. This voltage is connected through the
PCM or IPM (intelligent power module) (if equipped)
and supplied to one of the generator field terminals
(Gen. Source +) at the back of the generator.
The generator is driven by the engine through a
serpentine belt and pulley or decoupler pulley
arrangement.
The amount of DC current produced by the generator
is controlled by the EVR (field control) circuitry
contained within the PCM. This circuitry is connected
in series with the second rotor field terminal
and ground.
An Ambient air temperature sensor is used to calculate
the temperature near the battery. This temperature
data, along with data from monitored line
voltage (battery voltage sense circuit), is used by the
PCM to vary the battery charging rate. This is done
by cycling the ground path to control the strength of
the rotor magnetic field. The PCM then compensates
and regulates generator current output accordingly
to maintain system voltage at the targeted system
voltage based on battery temperature.
All vehicles are equipped with On-Board Diagnostics
(OBD). All OBD-sensed systems, including EVR
(field control) circuitry, are monitored by the PCM.
Each monitored circuit is assigned a Diagnostic Trouble
Code (DTC). The PCM will store a DTC in electronic
memory for certain failures it detects and
illuminate the (MIL) lamp. Refer to On-Board Diagnostics
in the Electronic Control Modules(Refer to 8 -
ELECTRICAL/ELECTRONIC CONTROL MODRS
CHARGING 8F - 21
ULES/POWERTRAIN CONTROL MODULE -
DESCRIPTION) section for more DTC information.
The Charging system “Battery” light indicates
problems with the charging system (voltage too high/
low, generator failure, etc.). If an extreme condition is
indicated, the lamp will be illuminated. The signal to
activate the lamp is sent via the PCI bus circuits.
The lamp is located on the instrument panel. Refer
to the Instrument Cluster section for additional information.
The PCM uses the ambient air temperature sensor
to control the charge system voltage. This temperature,
along with data from monitored line voltage, is
used by the PCM to vary the battery charging rate.
The system voltage is higher at cold temperatures
and is gradually reduced as the calculated battery
temperature increases.
The ambient temperature sensor is used to control
the battery voltage based upon ambient temperature
(approximation of battery temperature). The PCM
maintains the optimal output of the generator by
monitoring battery voltage and controlling it to a
range of 13.5 - 14.7 volts based on battery temperature.
DIAGNOSIS AND TESTING
ON-BOARD DIAGNOSTIC SYSTEM
The Powertrain Control Module (PCM) monitors
critical input and output circuits of the charging system,
making sure they are operational. A Diagnostic
Trouble Code (DTC) is assigned to each input and
output circuit monitored by the OBD system. Some
circuits are checked continuously and some are
checked only under certain conditions.
If the OBD system senses that a monitored circuit
is bad, it will put a DTC into electronic memory. The
DTC will stay in electronic memory as long as the
circuit continues to be bad. The PCM is programmed
to clear the memory after 40 good trip if the problem
does not occur again.
DIAGNOSTIC TROUBLE CODES
A DTC description can be read using the DRBIIIt
scan tool. Refer to the appropriate Powertrain Diagnostic
Procedures manual for information.
A DTC does not identify which component in a circuit
is bad. Thus, a DTC should be treated as a
symptom, not as the cause for the problem. In some
cases, because of the design of the diagnostic test
procedure, a DTC can be the reason for another DTC
to be set. Therefore, it is important that the test procedures
be followed in sequence, to understand what
caused a DTC to be set.
ERASING DIAGNOSTIC TROUBLE CODES
The DRBIIIt Scan Tool must be used to erase a
DTC.
The following procedures may be used to diagnose
the charging system if:
² the check gauges lamp or battery lamp is illuminated
with the engine running
² the voltmeter (if equipped) does not register
properly
² an undercharged or overcharged battery condition
occurs.
Remember that an undercharged battery is often
caused by:
² accessories being left on with the engine not
running
² a faulty or improperly adjusted switch that
allows a lamp to stay on. Refer to Ignition-Off Draw
Test (Refer to 8 - ELECTRICAL/BATTERY SYSTEM/
BATTERY - STANDARD PROCEDURE)
² loose generator belt.
INSPECTION
The Powertrain Control Module (PCM) monitors
critical input and output circuits of the charging system,
making sure they are operational. A Diagnostic
Trouble Code (DTC) is assigned to each input and
output circuit monitored by the On-Board Diagnostic
(OBD) system. Some charging system circuits are
checked continuously, and some are checked only
under certain conditions.
Refer to Diagnostic Trouble Codes in; Powertrain
Diagnostic manual for more DTC information. This
will include a complete list of DTC’s including DTC’s
for the charging system.
To perform a complete test of the charging system,
refer to the appropriate Powertrain Diagnostic Procedures
service manual and the DRBIIIt scan tool.
Perform the following inspections before attaching
the scan tool.
(1) Inspect the battery condition. Refer to the Battery
section (Refer to 8 - ELECTRICAL/BATTERY
SYSTEM - DIAGNOSIS AND TESTING) for procedures.
(2) Inspect condition of battery cable terminals,
battery posts, connections at engine block, starter
solenoid and relay. They should be clean and tight.
Repair as required.
(3) Inspect all fuses in both the fuseblock and
Power Distribution Center (PDC) or IPM (if
equipped) for tightness in receptacles. They should be
properly installed and tight. Repair or replace as
required.
(4) Inspect generator mounting bolts for tightness.
Replace or tighten bolts if required. Refer to the Generator
Removal/Installation section of this group for
8F - 22 CHARGING RS
CHARGING (Continued)
torque specifications (Refer to 8 - ELECTRICAL/
CHARGING - SPECIFICATIONS).
(5) Inspect generator drive belt condition and tension.
Tighten or replace belt as required. Refer to
Belt Tension Specifications(Refer to 7 - COOLING/
ACCESSORY DRIVE - SPECIFICATIONS).
(6) Inspect decoupler pulley (if equipped). Ensure
decoupler pulley is driving the alternator rotor.
(7) Inspect automatic belt tensioner (if equipped).
Refer to the Cooling System for more information.
(8) Inspect generator electrical connections at generator
field, battery output, and ground terminal (if
equipped). Also check generator ground wire connection
at engine (if equipped). They should all be clean
Regards
Richard
PCM has been sent for testing and no fault found. New battery sensor fitted.
New alternator and battery fitted
Also because I have a donor vehicle I swapped some relays over and eliminated them.
Reassembled and ran ok for about 20 minutes at 14.89 volts (a little high?)
then suddenly shot up past 18 volts. Switched off at that point and have come back here hoping someone can shed light on what is happening.
New alternator and battery fitted
Also because I have a donor vehicle I swapped some relays over and eliminated them.
Reassembled and ran ok for about 20 minutes at 14.89 volts (a little high?)
then suddenly shot up past 18 volts. Switched off at that point and have come back here hoping someone can shed light on what is happening.
If your voltmeter is accurate, the alternator charge voltage is too high at 14.89volt. You can test your meter with any new zinc-carbon cell at 1.5volt. Only use a digital voltmeter for these kind of jobs. Older charge voltage is 14.4volt constant, more modern is a high of 13.9volt after cranking, and 13.5 to 13.8 in a few minutes of engine running. (This is so-called "smart-charging", and is not so smart really; no matter how much makers such as Ford brag). Engine revs. makes no difference, idling will do. After all, this is the whole point of the alternator versus the old dynamo.
The alternator field current into the rotor via slip-rings determines the output voltage. It is a PWM* controlled current (Pulse-Width-Modulation) by a microprocessor because this an efficient way to control it. When and if your alternator output goes to 18volt, shut off immediate.
You won't have an oscilloscope to check the PWM drive, but if you connect an old-fashioned analog voltmeter across the PWM drive terminals (field) on the alternator, this will roughly indicate if the drive current has increased suddenly. Switch off immediate at this point of surge to avoid damage.
To be on the safe side, ensure all the heavy current connexions to the battery are tight and corrosion free. This partic. includes the engine ground strap as the alternator -ve output is usually the alternator metal body, and is connected via that engine ground strap to the chassis and eventually the battery -ve.
If I get chance and it isn't raining, I'll hook up one of my 'scopes to mine and show you the waveform to be expected in a picture.
*PWM is a way of controlling a current without the losses and heat one gets with analog controllers as in the old alternator control. A high-ish frequency square wave is generated and controls a switching (switch-mode) power transistor in and entirely on-off fashion. By varying the amount of "on" time, versus the amount of "off" time, the AVERAGE current is easily controlled. Losses during the switching action are very low indeed, like say .1%. The alternator field winding on the rotor is inductive anyway and integrates the switching current pulses. Of course one has to do something about the back-EMF from the switched-windings, but this is cheap to fix; no prob.
There is a remote possibility of some kind of 'short' in the alternator causing excessive charging.
Hopefully, replacement of a microprocessor board won't be required, but be prepared. Processor boards are the last place to look, least likely to be a location of fault.
You can disconnect the battery temp. sensor, and the charge voltage at battery will stick at 14volt. I know, I've done it.
If you find any kind of capacitor associated with the field-current wiring or plugs/sockets, esp. directly on the alternator connexions, check it for shorts/leaks.
Leedsman.
The alternator field current into the rotor via slip-rings determines the output voltage. It is a PWM* controlled current (Pulse-Width-Modulation) by a microprocessor because this an efficient way to control it. When and if your alternator output goes to 18volt, shut off immediate.
You won't have an oscilloscope to check the PWM drive, but if you connect an old-fashioned analog voltmeter across the PWM drive terminals (field) on the alternator, this will roughly indicate if the drive current has increased suddenly. Switch off immediate at this point of surge to avoid damage.
To be on the safe side, ensure all the heavy current connexions to the battery are tight and corrosion free. This partic. includes the engine ground strap as the alternator -ve output is usually the alternator metal body, and is connected via that engine ground strap to the chassis and eventually the battery -ve.
If I get chance and it isn't raining, I'll hook up one of my 'scopes to mine and show you the waveform to be expected in a picture.
*PWM is a way of controlling a current without the losses and heat one gets with analog controllers as in the old alternator control. A high-ish frequency square wave is generated and controls a switching (switch-mode) power transistor in and entirely on-off fashion. By varying the amount of "on" time, versus the amount of "off" time, the AVERAGE current is easily controlled. Losses during the switching action are very low indeed, like say .1%. The alternator field winding on the rotor is inductive anyway and integrates the switching current pulses. Of course one has to do something about the back-EMF from the switched-windings, but this is cheap to fix; no prob.
There is a remote possibility of some kind of 'short' in the alternator causing excessive charging.
Hopefully, replacement of a microprocessor board won't be required, but be prepared. Processor boards are the last place to look, least likely to be a location of fault.
You can disconnect the battery temp. sensor, and the charge voltage at battery will stick at 14volt. I know, I've done it.
If you find any kind of capacitor associated with the field-current wiring or plugs/sockets, esp. directly on the alternator connexions, check it for shorts/leaks.
Leedsman.
As promised and due to good weather, here are the pictures of alternator output, and the waveforms superimposed on the 14.4volt dc output. As the alternator output lead was very short, the 'scope was connected directly to the battery for convenience.
I used a conventional 'scope at first and this was good, and showed the effect of the de-glitching capacitor on occasional heavy spikes. Surprizingly, the most effect was seen on +ve spikes. I can't explain this. It was my Mk III de-gltcher of 136,000 microfarads. But, sad to say, the camera shutter speed was far to high and it only showed a small portion of the waveform, so I had to resort to a digital 'scopemeter which worked ok with the camera.
The effect on the ac waveform of the second battery was marked. Switching on the second battery reduced the ac waveform by about a half.
The PWM pulses were quite clear, and in this case I thought were well suppressed. However, my LED indicator plugged into the RH cigar lighter socket showed less flickering with the two batteries connected, also showing that, although limited, the LED is a fast indicator of what's going on -- provided one removes the basic dc with the 12volt zenerdiode. (See appropriate contribution).
I should mention that the picture with second battery connected also had the de-glitch capacitor connected, hence the lower than expected hash voltage.
Leedsman.
I used a conventional 'scope at first and this was good, and showed the effect of the de-glitching capacitor on occasional heavy spikes. Surprizingly, the most effect was seen on +ve spikes. I can't explain this. It was my Mk III de-gltcher of 136,000 microfarads. But, sad to say, the camera shutter speed was far to high and it only showed a small portion of the waveform, so I had to resort to a digital 'scopemeter which worked ok with the camera.
The effect on the ac waveform of the second battery was marked. Switching on the second battery reduced the ac waveform by about a half.
The PWM pulses were quite clear, and in this case I thought were well suppressed. However, my LED indicator plugged into the RH cigar lighter socket showed less flickering with the two batteries connected, also showing that, although limited, the LED is a fast indicator of what's going on -- provided one removes the basic dc with the 12volt zenerdiode. (See appropriate contribution).
I should mention that the picture with second battery connected also had the de-glitch capacitor connected, hence the lower than expected hash voltage.
Leedsman.
Last edited by Leedsman; Oct 7, 2013 at 10:48 AM.
Thread
Thread Starter
Forum
Replies
Last Post
alpine
Chrysler Voyager & Town & Country
3
Dec 27, 2011 06:00 PM




