little help please
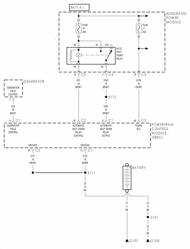
ASD gets power from fuse #16 25Amp in the IPM (both inputs)
If the ground @ Relay terminal 30 in IPM shows good ground and you have power at terminal 86 and 87, then you need to check circuit points below.
Relay terminal "85" in IPM (PDC) >> IPM C3 Pin 16 (BR/WT) to >>>
PCM C2 Pin 67 (BR/WT)
If the ground @ Relay terminal 30 in IPM shows good ground and you have power at terminal 86 and 87, then you need to check circuit points below.
Relay terminal "85" in IPM (PDC) >> IPM C3 Pin 16 (BR/WT) to >>>
PCM C2 Pin 67 (BR/WT)
Last edited by TNtech; Aug 21, 2010 at 08:32 PM.
the problem that im haveing is that i am not getting any spark from any sparkwire.we checked for power on injectors and had none.so we focused on the ASD relay,another thing we checked the ignition coil no power there either.so we put a jumper on the ASD and the van started.i went to the library to sign out the hanes book for the van but it doesnt have the wiring diagram that we needed.so now i think we narrowed it down to the ASD,where is it getting its ground from?is it the pcm,if it is then that could mean that the pcm is bad(i think)
Thread
Thread Starter
Forum
Replies
Last Post
TimmyTim
Chrysler Voyager & Town & Country
6
Oct 17, 2013 03:30 PM
TimmyTim
Chrysler Voyager & Town & Country
10
Jun 23, 2013 02:57 PM
jaydawg66
Chrysler 200 & Sebring
0
Jun 29, 2011 01:28 PM
Screamineagle66
300M, Concorde, LHS, New Yorker
5
Mar 13, 2007 02:42 AM




