05 pacifica 3.5L windage tray/baffle plate question
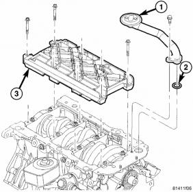
took apart the bottom end and have it back together now im just wondering which way they baffle plate goes back on. there is a rectangular hold on one side on wondering if that hold faces the harmonic balancer or the flywheel side.
thanks, rob
pics would help best for this
thanks, rob
pics would help best for this
thanks for the pic except i cant view it because it says i dont have permission to view it. i tried logging out and logging back in but still doesnt work. idk maybe because i just made this account today. could someone help me out with that. it wont even let me send a pm
thanks, rob
thanks, rob
ok thanks mans i hope i can view the picture by tomorrow i was hoping to get that baffle plate on and i cant find a picture of it ne where else
can someone who can see this picture send it to my email for me (rjb71591 at hotmail dot com) i need to see a picture of this thing by tomorrow so i can get this thing on. if not could someone just post it directly on the fourm for me please. i've been checking all day to see if i can view the picture but still cant and cant find info on the correct way to have it installed ne where.
thanks, rob
thanks, rob
Thread
Thread Starter
Forum
Replies
Last Post
GoodOleCapn
Archive - For Sale / Trade Classifieds
0
Dec 7, 2006 02:21 PM
Racinfan83
Exterior
10
Dec 10, 2005 11:50 PM




